Hoppa till huvudinnehåll

Geberit Duofix - Set för väggmontage, Oudee toalett och mjukstängande sits, Sigma50 tryckknapp, krom/alpinevit SANI11CA3126B

Producent: Geberit Serie: Duofix cn: SANI11CA3126B

Setet inkluderar förväggsinstallation modul Geberit Duofix med dold... Se hela produktbeskrivningen

Vårt pris
12.399,70 kr inklusive moms (9.919,76 kr exkl. moms)

I lager > 10 st
Skickad På måndag 9. 3.

Nejnižší prodejní cena za 30 dní: 12.399,70 kr

Lägg till i inköpslistan
Betalningsalternativ: Mastercard
Mastercard
Visa
Visa
finby
finby
Trustly
Trustly
Geberit Duofix - Set för väggmontage, Oudee toalett och mjukstängande sits, Sigma50 tryckknapp, krom/alpinevit SANI11CA3126B

Geberit Duofix - Set för väggmontage, Oudee toalett och mjukstängande sits,...

I lager > 10 st
Skickad På måndag 9. 3.
12.399,70 kr

Produktvarianter

Spolupráce se zavedenými značkami
Vi samarbetar med etablerade varumärken.
Vi förlitar oss på tysk precision, italiensk elegans
och tjeckisk tradition.
S nákupem vám poradíme
Vi ger dig råd vid ditt köp.

Behöver du hjälp med ditt val? Ingen fara! Vi hjälper dig gärna och kontrollerar om de valda produkterna passar ihop, så att du inte blir överraskad vid installationen.

Nejširší nabídka skladem
Brett utbud lager.

Vi har det bredaste lagersortimentet av sanitetsteknik. Vi erbjuder produkter i alla priskategorier, inklusive designmodeller. Hos oss hittar du garanterat något!

Můžete nám důvěřovat
Du kan lita på oss.

Vår butik har flera gånger prisats av jämförelseportalen för kundnöjdhet.

Information om produkten

Information om produkten

Setet inkluderar

  • förväggsinstallation modul Geberit Duofix med dold spolcistern 
  • keramisk hängande toalett kielle Oudee med SoftClose-sits
  • geberit Sigma50 manöverknapp för 2-stegsspolning
  • brusreduceringssats

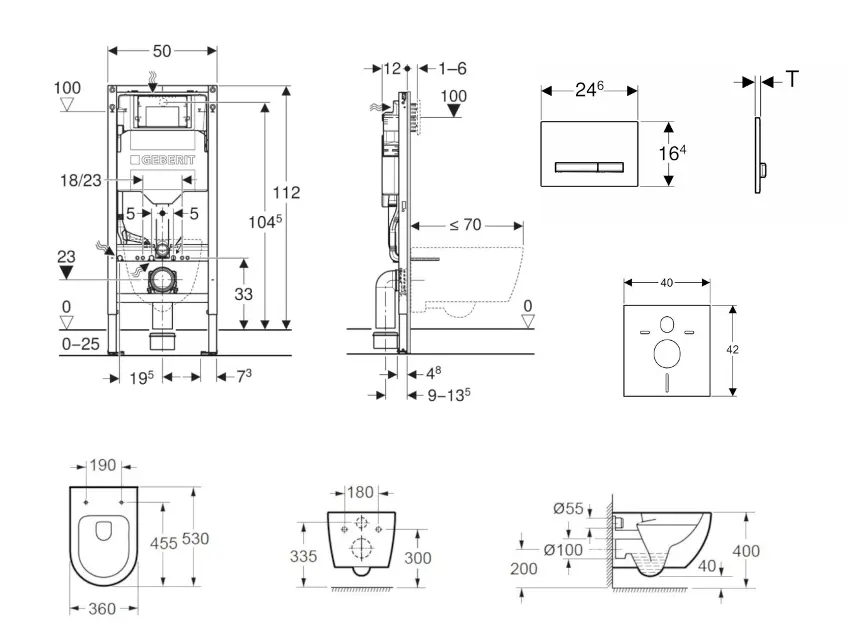
Förväggsinstallation Duofix-modul för väggmonterad WC med Sigma 12 cm spolcistern

  • för konstruktioner som utförs genom den torra processen
  • för installation i delvis höga eller höga rumshöjdsinstallationer
  • för installation i installationsväggar som är höga till rummets höjd
  • för installation i Geberit Duofix-systemväggar som är delvis höga eller höga i höjd
  • för vägghängda toaletter med anslutningsmått enligt EN 33 och en överlappning på upp till 70 cm
  • för 1-verkande, 2-verkande eller Start/Stopp spolning
  • för golvtjocklekar 0-25 cm

Egenskaper

  • självbärande ram med pulverlackerad färg
  • ram redo för stöd för WC-keramik med liten stödyta
  • galvaniserade stöd
  • stöd med halkskyddande behandling
  • roterbara hälplattor, lämpliga för montering i UW 50- och UW 75-profiler
  • anslutningsvinkel för verktygslös installation på olika djup, justeringsområde 45 mm
  • spolcistern under puts isolerad mot dagg
  • omedelbar extra spolning är möjlig med fabriksinställningar
  • installations- och servicearbeten på spolningstanken utan verktyg
  • vattenintag baktill eller upptill i mitten
  • grovt monteringslock för servicehål skyddar mot fukt och smuts
  • grov monteringskåpa för servicehål med möjlighet till förkortning
  • utrustad med ett rörskydd för tilloppsröret för anslutning av Geberit AquaClean duschtoaletter
  • med möjlighet att fixa för elförsörjning

Tekniska data

  • flödestryck: 10-1000 kPa
  • maximal vattentemperatur: 25 °C
  • spolmängd, fabriksinställning: 6 och 3 l
  • stor spolmängd, inställningsområde: 4 / 4,5 / 6 / 7,5 l
  • liten spolmängd, inställningsområde: 2-4 l
  • beräknat flöde: 0,09 l/s
  • minsta övertryck för det dimensionerande flödet: 10 kPa

Leveransens innehåll

  • vatteninlopp R 1/2", lämpligt för MF, med integrerad hörnventil och handratt
  • lock för grovmontering för servicehål
  • anslutningssats för WC, Ø 90 mm
  • anslutningsvinkel 90° av PE-HD, Ø 90 mm
  • pE-HD-adapter, Ø 90 / 110 mm
  • fixeringsmaterial

Hängande toalett Oudee

  • Färg: vit
  • mått: 525 x 360 mm
  • Kantlös design
  • dold infästning
  • djup spolning
  • spolningsvolym 4/6 l

Toalettsits

  • Färg: vit
  • med mjukstängningsfunktion SoftClose
  • lätt avtagbar för enkelt underhåll

Sigma50 dubbelverkande kontrollknapp

  • mått: 246 x 164 x 13 mm
  • material: pressgjuten zink/plast
  • bottenplatta och knappar: förkromade
  • täckplatta: vit
  • för att styra spolningen av Geberit Sigma dolda cisterner
  • manuell styrning från framsidan, manövreringskraft: < 20 N
  • ekonomisk spolning för 2 vattenmängder

Leveransomfattning

  • fixeringsram
  • knappanslutningsstångssats - ljudisolerad, snabb montering utan verktyg
  • 2 justerbara handtag

ljudabsorberande set

  • för vägghängd WC eller vägghängd bidé
  • för montering av keramikelementet med ett fästavstånd på18 cm eller 23 cm
  • brusreducering, dämpar vibrationerna från toaletten
  • material: polyetenskum
  • inkluderar: 1x ljudisolering, 2x brickor

Denna produkt kan levereras till dig utan originalförpackningen. Anledningen är att skydda produkten mot skador under transporten.

Teknisk information

Producent:
Serie:
cn:
SANI11CA3126B
EAN:
4065305025451
Garanti:
2 år
Installation:
för inbyggnad i gipsskiva
Spolningsteknik:
kantlös
Toalettsitstyp:
med mjukstängningsfunktion
Spolplatta färg:
krom
vit
Toalett färg:
vit
Produktbetyg

Produktbetyg

Skriv en recension
Zatím nebyl produkt nikým hodnocen.
Teknologi

Tekniköversikt

Långsamstängningsmekanism (mjukstängning, långsamstängning, mjuköppning)

Toalettsitsar med slow-close-mekanism stängs mjukt och tyst tack vare speciella dämpare inbyggda i gångjärnen. Detta ökar komforten vid användning, förhindrar obehagligt ljud och minskar risken för små skador vid oväntad stängning av locket.

Rimless

Kielle Rimless-teknologin säkerställer en jämn spolning runt hela toalettskålen. Spolvattnet rinner ut från vattenfördelaren endast från skålens baksida och, tack vare den speciella formen, spolas hela ytan effektivt ren. Den kantlösa designen är mycket praktisk vid rengöring och ökar dessutom hygienen eftersom bakterier inte har någonstans att gömma sig. Denna teknik gör spolningen mycket effektiv, eftersom vattnet inte stänker utanför toaletten utan stannar inuti skålen.

EasyLock

EasyLock-teknologin gör toalettstädningen enkel! De snabbfrigörande gångjärnen gör det lätt att ta bort sitsen, så att du kan rengöra toaletten på nolltid – utan besvär.

Produkter i serien Duofix

Produkter i serien Duofix

I serien Geberit Duofix hittar du en rad universella, självbärande installationsmoduler avsedda för vägghängda toaletter. De fungerar som ett funktionellt stöd för din nya toalett. Konstruktionen kan installeras med torrprocess i en lätt skiljevägg, antingen i full eller förkortad rumshöjd, beroende på rummets layout och själva toaletten. Komplicerade byggnadsarbeten behövs inte, vilket gör att även en genomsnittligt händig person enkelt kan hantera installationen med Geberit Duofix. Välj rätt lösning för ditt hem i SANITINO:s sortiment.

99,51 kr inklusive moms
I lager > 10 st
Skickad På måndag 9. 3.
189,61 kr inklusive moms
I lager > 10 st
Skickad På måndag 9. 3.
185,81 kr inklusive moms
I lager > 10 st
Skickad På måndag 9. 3.
163,69 kr inklusive moms
I lager 6 st
Skickad På måndag 9. 3.
442,89 kr inklusive moms
Leverans vanligtvis inom 18 dagar.
442,20 kr inklusive moms
I lager 4 st
Skickad På måndag 9. 3.
377,33 kr inklusive moms
I lager 1 st
Skickad På måndag 9. 3.
278,88 kr inklusive moms
I lager 8 st
Skickad På måndag 9. 3.
419,68 kr inklusive moms
I lager 6 st
Skickad På måndag 9. 3.
631,41 kr inklusive moms
I lager 2 st
Skickad På måndag 9. 3.
upp